目 录
第一章工程概况1
第二章编制依据1
第三章现场勘测资料1
第四章初步设计2
第五章临电计算及设备选择2
第六章施工用电配电系统图2
第七章接地设计2
第八章防雷设计4
第九章防护措施7
第十章安全用电和电气防火措施10
第一章工程概况
第二章编制依据
1、《施工现场临时用电安全技术规范》JGJ46-2005
2、《低压配电设计规范》GB50054-2011
3、《建筑工程施工现场供电安全规范》GB50194-2014
4、《通用用电设备配电设计规范》GB50055-2011
5、《工业与民用配电设计手册》第三版
6、《建筑施工安全检查标准》JGJ59-2011
第三章现场勘测资料
现场勘测应包括以下内容:
1、在建工程的位置及其周边空间分布情况。
2、地表和地下土质种类、干湿程度及其分布情况,特别是要了解土壤的电阻率。
3、地表以下业已存在各种管道、线缆的敷设分布情况。
4、现场周边的环境情况。包括是否存在外电架空线路(线路的电压等级及与施工现场的空间距离);是否存在易燃易爆物和腐蚀介质;是否存在外界强电磁波源的电磁感应。
5、现场所在地域的气象情况,包括地区雷电活动情况。
6、现场临时用电工程电源取用位置等。
第四章初步设计
1、《施工现场临时用电安全技术规范》(JGJ46-2005)总则中以强制性条文规定,施工现场必须采用三级配电系统、必须采用TN-S接零保护系统。
2、现场采用380V低压供电,设一配电总箱,采用TN-S系统供电。
3、布置位置及线路走向参见临时配电系统图,采用三级配电,三级防护。
4、按照《JGJ46-2005》规定制定施工组织设计,接地电阻R≤4Ω。
5、按照《JGJ46-2005》规定若为架空线路则"根据机械强度要求,绝缘铜线截面不小于10mm2,绝缘铝线截面不小于16mm2"。
第五章临电计算及设备选择
施工现场临时用电组织设计
一、编制依据
1、《施工现场临时用电安全技术规范》JGJ46-2005
2、《低压配电设计规范》GB50054-2011
3、《建筑工程施工现场供电安全规范》GB50194-2014
4、《通用用电设备配电设计规范》GB50055-2011
5、《工业与民用配电设计手册》第三版
6、《建筑施工安全检查标准》JGJ59-2011
二、参数设置
1、总箱参数
2、分箱参数

3、用电设备参数

4、临电设备计算及配置

三、初步设计
(1)《施工现场临时用电安全技术规范》(JGJ46-2005)总则中以强制性条文规定,施工现场必须采用三级配电系统、必须采用TN-S接零保护系统。
(2)现场采用380V低压供电,设一配电总箱,采用TN-S系统供电。
(3)布置位置及线路走向参见临时配电系统图,采用三级配电,三级防护。
(4)按照《JGJ46-2005》规定制定施工组织设计,接地电阻R≤4Ω。
(5)按照《JGJ46-2005》规定若为架空线路则"根据机械强度要求,绝缘铜线截面不小于10mm2,绝缘铝线截面不小于16mm2"。
四、用电负荷
1、1号分箱设备用电负荷
(1)塔吊
Kx = 0.25,Cosφ = 0.5,tgφ = (1 - Cosφ^2)^0.5/ Cosφ = (1 - 0.5^2)^0.5 / 0.5 = 1.73
Pe = n × P × (εe/ε)^0.5 = 1.00 × 70.00 × (0.25 / 1.00)^0.5 = 35.00kW
Ij1 = Kx × Pe / (1.732 × Ue × cosφ) = 0.25 × 35.00 × 1000 / (1.732 × 380 × 0.50) = 26.59A
Pjs = Kx × Pe = 0.25 × 35.00 = 8.75kW
Qjs = Pjs × tgφ = 8.75 × 1.73 = 15.16kvA
(2)1号分箱计算负荷
用电设备同期使用系数Kx=0.80;
Ijs = Kx × ΣPe / (1.732 × Ue × Cosφ) = 0.80 × 35.00 × 1000 / (1.732 × 380 × 0.75) = 56.72A;
同时要求分箱用电负荷不得小于分箱下用电设备最大计算负荷的1.1倍,故:
Ijs = max{56.72,1.1×max(26.59,)} = 56.72A
2、2号分箱设备用电负荷
(1)电焊机
Kx = 0.35,Cosφ = 0.35,tgφ = (1 - Cosφ^2)^0.5/ Cosφ = (1 - 0.35^2)^0.5 / 0.35 = 2.68
Pe = n × P × (εe/ε)^0.5 = 5.00 × 35.00 × (0.60 / 1.00)^0.5 = 135.55kW
Ij1 = Kx × Pe / (1.732 × Ue × cosφ) = 0.35 × 135.55 × 1000 / (1.732 × 380 × 0.35) = 205.96A
Pjs = Kx × Pe = 0.35 × 135.55 = 47.44kW
Qjs = Pjs × tgφ = 47.44 × 2.68 = 126.98kvA
(2)2号分箱计算负荷
用电设备同期使用系数Kx=0.80;
Ijs = Kx × ΣPe / (1.732 × Ue × Cosφ) = 0.80 × 135.55 × 1000 / (1.732 × 380 × 0.75) = 219.69A;
同时要求分箱用电负荷不得小于分箱下用电设备最大计算负荷的1.1倍,故:
Ijs = max{219.69,1.1×max(205.96,)} = 226.56A
3、3号分箱设备用电负荷
(1)电梯
Kx = 0.6,Cosφ = 0.7,tgφ = (1 - Cosφ^2)^0.5/ Cosφ = (1 - 0.7^2)^0.5 / 0.7 = 1.02
Pe = n × P × (εe/ε)^0.5 = 1.00 × 66.00 × (1.00 / 1.00)^0.5 = 66.00kW
Ij1 = Kx × Pe / (1.732 × Ue × cosφ) = 0.60 × 66.00 × 1000 / (1.732 × 380 × 0.70) = 85.95A
Pjs = Kx × Pe = 0.60 × 66.00 = 39.60kW
Qjs = Pjs × tgφ = 39.60 × 1.02 = 40.40kvA
(2)3号分箱计算负荷
用电设备同期使用系数Kx=0.80;
Ijs = Kx × ΣPe / (1.732 × Ue × Cosφ) = 0.80 × 66.00 × 1000 / (1.732 × 380 × 0.75) = 106.96A;
同时要求分箱用电负荷不得小于分箱下用电设备最大计算负荷的1.1倍,故:
Ijs = max{106.96,1.1×max(85.95,)} = 106.96A
4、4号分箱设备用电负荷
(1)插入式振动器
Kx = 0.3,Cosφ = 0.7,tgφ = (1 - Cosφ^2)^0.5/ Cosφ = (1 - 0.7^2)^0.5 / 0.7 = 1.02
Pe = n × P × (εe/ε)^0.5 = 2.00 × 1.50 × (0.40 / 0.40)^0.5 = 3.00kW
Ij1 = Kx × Pe / (1.732 × Ue × cosφ) = 0.30 × 3.00 × 1000 / (1.732 × 380 × 0.70) = 1.95A
Pjs = Kx × Pe = 0.30 × 3.00 = 0.90kW
Qjs = Pjs × tgφ = 0.90 × 1.02 = 0.92kvA
(2)4号分箱计算负荷
用电设备同期使用系数Kx=0.80;
Ijs = Kx × ΣPe / (1.732 × Ue × Cosφ) = 0.80 × 3.00 × 1000 / (1.732 × 380 × 0.75) = 4.86A;
同时要求分箱用电负荷不得小于分箱下用电设备最大计算负荷的1.1倍,故:
Ijs = max{4.86,1.1×max(1.95,)} = 4.86A
5、5号分箱设备用电负荷
(1)木工平刨床
Kx = 0.65,Cosφ = 0.6,tgφ = (1 - Cosφ^2)^0.5/ Cosφ = (1 - 0.6^2)^0.5 / 0.6 = 1.33
Pe = n × P × (εe/ε)^0.5 = 1.00 × 3.00 × (0.40 / 0.40)^0.5 = 3.00kW
Ij1 = Kx × Pe / (1.732 × Ue × cosφ) = 0.65 × 3.00 × 1000 / (1.732 × 380 × 0.60) = 4.94A
Pjs = Kx × Pe = 0.65 × 3.00 = 1.95kW
Qjs = Pjs × tgφ = 1.95 × 1.33 = 2.60kvA
(2)5号分箱计算负荷
用电设备同期使用系数Kx=0.80;
Ijs = Kx × ΣPe / (1.732 × Ue × Cosφ) = 0.80 × 3.00 × 1000 / (1.732 × 380 × 0.75) = 4.86A;
同时要求分箱用电负荷不得小于分箱下用电设备最大计算负荷的1.1倍,故:
Ijs = max{4.86,1.1×max(4.94,)} = 5.43A
6、6号分箱设备用电负荷
(1)照明
Kx = 0.6,Cosφ = 0.6,tgφ = (1 - Cosφ^2)^0.5/ Cosφ = (1 - 0.6^2)^0.5 / 0.6 = 1.33
Pe = n × P × (εe/ε)^0.5 = 1.00 × 0.50 × (0.40 / 0.40)^0.5 = 0.50kW
Ij1 = Kx × Pe / (1.732 × Ue × cosφ) = 0.60 × 0.50 × 1000 / (1.732 × 380 × 0.60) = 0.76A
Pjs = Kx × Pe = 0.60 × 0.50 = 0.30kW
Qjs = Pjs × tgφ = 0.30 × 1.33 = 0.40kvA
(2)6号分箱计算负荷
用电设备同期使用系数Kx=0.80;
Ijs = Kx × ΣPe / (1.732 × Ue × Cosφ) = 0.80 × 0.50 × 1000 / (1.732 × 380 × 0.75) = 0.81A;
同时要求分箱用电负荷不得小于分箱下用电设备最大计算负荷的1.1倍,故:
Ijs = max{0.81,1.1×max(0.76,)} = 0.84A
7、总箱计算负荷
总的计算负荷计算,总配电箱用电设备同期使用系数取Kx = 0.80
总的有功功率: Pjs = Kx×ΣPjs = 0.80 × 98.94 = 79.16kW
总的无功功率: Qjs = Kx×ΣQjs = 0.80 × 186.45 = 149.16kvar
总的视在功率: Sjs = (Pjs^2 + Qjs^2)^0.5 = (79.16 × 79.16 + 149.16 × 149.16)^0.5 = 168.86kVA
总的计算电流计算:Ijs = Sjs × 1000 /(1.732 × Ue) = 168.86 × 1000 / (1.732 × 380) = 256.57A同时要求总箱下计算负荷不得小于分箱计算负荷的1.1倍,故:
Ijs = max{256.57,1.1×max(56.72,226.56,106.96,4.86,5.43,0.84,)} = %zongijsgongshi% = 256.57A
五、导线及开关箱内电气设备选择
1、1号干线上导线及开关箱内电气设备选择
1.1、塔吊导线及开关箱内电气设备选择
根据计算负荷,知塔吊计算电流为:
Ij1 = Kx×Pe/(1.732×Ue×cosφ) = 26.59A
(1)选择VV22-3×10+1×6,安全载流量为64A≥26.59A。
(2)选择开关箱内开关为HR3-100/30,其熔体额定电流为Ir = 30A ≥ 26.59A,漏电保护器为DZ15LE-63/30。
1.2、1号分箱进线及开关箱内电气设备选择
根据计算负荷,知1号分箱计算电流为:Ijs = 56.72A
(1)选择电缆VV22-3×10+1×6,安全载流量为64A ≥ 56.72A,电缆截面面积为10mm2。
按照允许电压降为5%,导线截面为:
S1 = Kx1 × ΣPe × L1 /(C × 5 )= 0.80 × 35.00 × 20.00 / (77.00 × 5.00) = 1.45mm^2 ≤ 10mm^2
(2) 选择开关箱内开关为HR3-100/60,其熔体额定电流为Ir = 60A ≥ 56.72A,漏电保护器为DZ47LE-60/60。
符合要求
2、2号干线上导线及开关箱内电气设备选择
2.1、电焊机导线及开关箱内电气设备选择
根据计算负荷,知电焊机计算电流为:
Ij1 = Kx×Pe/(1.732×Ue×cosφ) = 205.96A
(1)选择VV22-3×95+2×50,安全载流量为229A≥205.96A。
(2)选择开关箱内开关为HR6-400/224,其熔体额定电流为Ir = 224A ≥ 205.96A,漏电保护器为DZ20L-250/225。
2.2、2号分箱进线及开关箱内电气设备选择
根据计算负荷,知2号分箱计算电流为:Ijs = 226.56A
(1)选择电缆VV22-3×95+2×50,安全载流量为229A ≥ 226.56A,电缆截面面积为95mm2。
按照允许电压降为5%,导线截面为:
S1 = Kx1 × ΣPe × L1 /(C × 5 )= 0.80 × 135.55 × 20.00 / (77.00 × 5.00) = 5.63mm^2 ≤ 95mm^2
(2) 选择开关箱内开关为HH4-300/250,其熔体额定电流为Ir = 250A ≥ 226.56A,漏电保护器为DZ20L-250/250。
符合要求
3、3号干线上导线及开关箱内电气设备选择
3.1、电梯导线及开关箱内电气设备选择
根据计算负荷,知电梯计算电流为:
Ij1 = Kx×Pe/(1.732×Ue×cosφ) = 85.95A
(1)选择VV-3×16+1×10,安全载流量为86A≥85.95A。
(2)选择开关箱内开关为HH3-100/100,其熔体额定电流为Ir = 100A ≥ 85.95A,漏电保护器为DZL25-200/100。
3.2、3号分箱进线及开关箱内电气设备选择
根据计算负荷,知3号分箱计算电流为:Ijs = 106.96A
(1)选择电缆VV22-3×25+2×16,安全载流量为107A ≥ 106.96A,电缆截面面积为25mm2。
按照允许电压降为5%,导线截面为:
S1 = Kx1 × ΣPe × L1 /(C × 5 )= 0.80 × 66.00 × 20.00 / (77.00 × 5.00) = 2.74mm^2 ≤ 25mm^2
(2) 选择开关箱内开关为HR3-200/120,其熔体额定电流为Ir = 120A ≥ 106.96A,漏电保护器为DZ20L-250/125。
符合要求
4、4号干线上导线及开关箱内电气设备选择
4.1、插入式振动器导线及开关箱内电气设备选择
根据计算负荷,知插入式振动器计算电流为:
Ij1 = Kx×Pe/(1.732×Ue×cosφ) = 1.95A
(1)选择VV22-3×10+1×6,安全载流量为64A≥1.95A。
(2)选择开关箱内开关为HR5-100/4,其熔体额定电流为Ir = 4A ≥ 1.95A,漏电保护器为DZ15LE-40/6。
4.2、4号分箱进线及开关箱内电气设备选择
根据计算负荷,知4号分箱计算电流为:Ijs = 4.86A
(1)选择电缆VV22-3×10+1×6,安全载流量为64A ≥ 4.86A,电缆截面面积为10mm2。
按照允许电压降为5%,导线截面为:
S1 = Kx1 × ΣPe × L1 /(C × 5 )= 0.80 × 3.00 × 20.00 / (77.00 × 5.00) = 0.12mm^2 ≤ 10mm^2
(2) 选择开关箱内开关为HR6-160/6,其熔体额定电流为Ir = 6A ≥ 4.86A,漏电保护器为DZ15LE-40/6。
符合要求
5、5号干线上导线及开关箱内电气设备选择
5.1、木工平刨床导线及开关箱内电气设备选择
根据计算负荷,知木工平刨床计算电流为:
Ij1 = Kx×Pe/(1.732×Ue×cosφ) = 4.94A
(1)选择VV22-3×10+1×6,安全载流量为64A≥4.94A。
(2)选择开关箱内开关为HR6-160/6,其熔体额定电流为Ir = 6A ≥ 4.94A,漏电保护器为DZ15LE-40/6。
5.2、5号分箱进线及开关箱内电气设备选择
根据计算负荷,知5号分箱计算电流为:Ijs = 5.43A
(1)选择电缆VV22-3×10+1×6,安全载流量为64A ≥ 5.43A,电缆截面面积为10mm2。
按照允许电压降为5%,导线截面为:
S1 = Kx1 × ΣPe × L1 /(C × 5 )= 0.80 × 3.00 × 20.00 / (77.00 × 5.00) = 0.12mm^2 ≤ 10mm^2
(2) 选择开关箱内开关为HR6-160/6,其熔体额定电流为Ir = 6A ≥ 5.43A,漏电保护器为DZ15LE-40/6。
符合要求
6、6号干线上导线及开关箱内电气设备选择
6.1、照明导线及开关箱内电气设备选择
根据计算负荷,知照明计算电流为:
Ij1 = Kx×Pe/(1.732×Ue×cosφ) = 0.76A
(1)选择VV22-3×10+1×6,安全载流量为64A≥0.76A。
(2)选择开关箱内开关为HR5-100/4,其熔体额定电流为Ir = 4A ≥ 0.76A,漏电保护器为DZ15LE-40/6。
6.2、6号分箱进线及开关箱内电气设备选择
根据计算负荷,知6号分箱计算电流为:Ijs = 0.84A
(1)选择电缆VV22-3×10+1×6,安全载流量为64A ≥ 0.84A,电缆截面面积为10mm2。
按照允许电压降为5%,导线截面为:
S1 = Kx1 × ΣPe × L1 /(C × 5 )= 0.80 × 0.50 × 20.00 / (77.00 × 5.00) = 0.02mm^2 ≤ 10mm^2
(2) 选择开关箱内开关为HR5-100/4,其熔体额定电流为Ir = 4A ≥ 0.84A,漏电保护器为DZ15LE-40/6。
符合要求
六、总箱的进线、开关箱内电气设备及变压器选择
1、总箱的进线及开关箱内电气设备选择
根据前面计算的总箱计算负荷,知:Ijs = 256.57A。
(1)选择电缆VV22-3×120+2×70,安全载流量为261A ≥ 256.57A,电缆截面面积为120mm2。
按照允许电压降为5%,导线截面为:
S0 = Kx×ΣPe×L0/(C×5) = 0.80 × 98.94 × 5.00 / (77.00 × 5.00) = 1.03mm^2 ≤ 120mm^2
选择总进线开关:HR5-400/300,其熔体额定电流为Ir = 300A。
选择总箱中漏电保护器:DZ20L-630/315。
符合要求
2、变压器选择
有功功率损耗ΔPB = 0.02 × Sjs = 0.02 × 168.86 = 3.38kW
无功功率损耗ΔQB = 0.08 × Sjs = 0.08 × 168.86 = 13.51kvar
变压器固有损耗ΔSB = 13.92kV.A
于是,可选变压器的容量最小应为:SB = Sjs+ΔSB = 168.86 + 13.92 = 182.79kV.A。
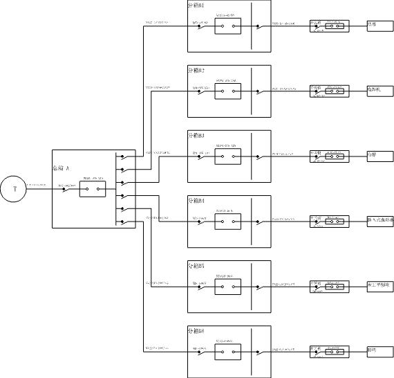
第六章施工用电配电系统图

第七章接地设计
接地装置设计的内容和要求包括:根据施工现场对各种接地装置设置和接地电阻值的要求,确定接地装置位置,接地装置类别和构成,以及人工接地装置的结构设计与敷设。
第一节 各种接地装置设置和接地电阻值要求
施工现场的接地主要分为四种类型:一是工作接地;二是重复接地;三是防雷接地;四是防静电接地。施工现场对各种接地装置设置和接地电阻值的要求如下。
1.1工作接地装置的设置和要求
在施工现场临时用电工程中,工作接地是通过工作接地装置实现的,其接地电阻Rg值(工频接地电阻值)应当符合下面的规定。即:
a. 当变压器或发电机容量>100kV•A时,Rg≤4Ω;
b. 当变压器或发电机容量≤100kV•A时,Rg≤10Ω;
c. 当土壤电阻率>1000Ω•m时,Rg≤30Ω。
1.2、重复接地装置的设置和要求
在施工现场临时用电工程中,重复接地是通过重复接地装置实现的,其接地电阻RC值(工频接地电阻值)应当符合下面的规定。即:
每处重复接地装置的接地电阻值(工频接地电阻值)RC一般为:RC≤10Ω。
在工作接地电阻值允许达到10Ω的电力系统中,PE线上所有重复接地装置的等效接地电阻值不应大于10Ω。
1.3、防雷接地装置的设置和要求
施工现场的防雷主要是防止直击雷对现场高大建筑机械、高架金属设施,特别是现场作业人员身体的雷击危害。
施工现场防直击雷危害的基本措施是通过设置防雷接地装置,将需要防雷的设备、设施、架构等直接接地,即所谓防雷接地。施工现场对防雷接地装置的要求是:所有防雷接地装置的冲击接地电阻值RCh值不得大于30Ω,即RCh≤30Ω。
1.4、防静电接地装置的设置和要求
施工现场的防静电主要是防止某些机械设备上的静电放电引发火灾和对作业人员身体的危害。
施工现场防静电危害的基本措施主要是通过设置防静电接地装置将集聚在机械设备上的静电泄漏至大地,即所谓防静电接地。施工现场对防静电接地装置的要求是:所有防静电接地装置的接地电阻Rjd值一般不得大于100Ω,即Rjd≤100Ω;在高土壤电阻率地区,Rjd≤1000Ω。
第二节 接地装置位置的确定
确定施工现场各种类别接地装置设置位置的基本原则是:靠近需要接地的部位;接地点土壤状态良好,无杂物;邻域环境安全,无易燃易爆物、腐蚀介质、机械损伤物等。具体设置空间位置可作如下选择:
2.1工作接地装置的位置——设置于电力变压器和发电机临近位置。
2.2重复接地装置的位置——设置于总配电箱、分配电箱及远端开关箱处。
2.3防雷接地装置的位置——设置于高大建筑机械(例如,塔式起重机、外用电梯等)基础部位,以及高架金属设施(钢管脚手架等)底部临近位置。
2.4防静电接地装置的位置——设置于产生静电的场所。
第三节 接地装置的确定
接地装置分为自然接地装置和人工接地装置两类,以下分别介绍自然接地装置的选择和人工接地装置的设计、制作、敷设程序与方法。
3.1自然接地装置的选择
自然接地装置由自然接地体和接地线焊接组成。所谓自然接地体,是指原已埋入地下,并与大地土壤有良好电气连接的金属体或金属结构体,例如,地下钢筋混凝土基础中的钢筋结构体、金属井管、非燃气金属管道、铠装电缆(铅包电缆除外)的金属外皮等。
3.2人工接地装置的设计与敷设
人工接地装置由人工接地体与人工接地线焊接构成。所谓人工接地体是指人为埋入地下,并与大地土壤有良好电气连接的金属体或金属结构体。
作为人工接地体的材料,可以采用圆钢、钢管、角钢等,不得采用螺纹钢或铝材。用于制作接地体的圆钢、钢管、角钢等,一般应用扁钢焊接而成为一个统一的接地体,不得采用绑扎连接,也不得采用螺栓连接。
作为人工接地线的材料一般可采用扁钢,并且应与人工接地体焊接在一起,然后引出地面。人工接地体与人工接地线的连接同样不得采用绑扎或螺栓连接。
为了保障人工接地体与人工接地线之间电气连接的可靠性,人工接地线至少应从接地体的不同两点焊接引出地面,然后再焊接在一起,并设置一个统一接线端子,作为电气设备接地时与接地装置的连接端。
用于连接电气设备接地端和接地装置接地端的(PE)接地连接线,则必须采用绝缘铜线,PE线与电气设备接地端相连接的首端可以采用螺栓连接;PE线与接地装置接地端相连接的末端,也可以采用螺栓连接。
人工接地装置的设置需经过设计、制作、敷设和测试、增补等过程,直至达到其接地电阻值符合规定值要求为止。

第八章防雷设计
防雷装置设计的主要内容是:首先,确定需要设置防雷装置的部位,即防雷部位;其次,确定防雷装置的设置。
施工现场的防雷主要是防直击雷,当施工现场设置现场专用变电所时,除了要考虑设置防直击雷装置以外,还要考虑设置防感应雷装置,以下分别介绍其设置规则。
第一节 防雷部位的确定
1.1、防直击雷的部位
当施工现场邻近建、构筑物等设施的防直击雷装置的保护范围不能覆盖整个施工现场时,依照规范的规定,施工现场需要按下表的要求设置防直击雷装置。
施工现场内机械高架设施需安装防雷装置的规定
实际上,施工现场需要考虑防直击雷的部位主要是:塔式起重机、物料提升机、外用电梯等高大建筑机械设备,以及钢管脚手架、在建工程金属结构等高架金属设施。当施工现场内设置变电所时,该变电所也是需要考虑防直击雷的部位。
1.2、防感应雷部位
当现场设置变电所时,防感应雷部位通常设置在变电所的进、出线处。当现场未设置变电所但设置配电室时,则其进、出线处有应考虑有防感应雷措施。
第二节 防雷装置的设置
2.1、防直击雷装置的设置
防直击雷装置由接闪器(避雷针、避雷线、避雷带等)、防雷引下线和防雷接地体组成。
防直击雷装置的接闪器(避雷针)应设置于高大建筑机械设备和高架金属设施的最顶端,可采用Ф20及以上的钢筋、圆钢等。
防直击雷装置的防雷引下线可采用铜线、圆钢、扁钢、角钢、钢筋等。
防雷接地体与供配电系统接地体一样,也可以采用非燃气管道等电气连接贯通可靠的自然接地体,也可以单独敷设人工接地体。
接闪器(避雷针)、防雷上下线、防雷接地体之间必须可靠焊接。
单独设置的防雷接地体,其冲击接地电阻RCh值不应大于30Ω,即应当满足关系RCh≤30Ω;
当防雷接地与用电系统PE线重复接地共用同一接地体时,由于对同一接地体来说,其冲击接地电阻RCh值小于其工频接地电阻RG值,所以该共同接地体的接地电阻值应符合PE线重复接地的工频接地电阻值RG不大于10Ω的要求,即应满足关系RG≤10Ω,以保证同时满足PE线重复接地和防雷接地的综合要求。
对于塔式起重机,由于其臂架长,而且使用中有回转运动,故在任何情况下均应设置防直击雷装置,其塔顶和臂架远端可作为接闪器,不需另装避雷针;其机体可作为防雷引下线,但应保证电气连接;基防雷接地体可利用其基础钢筋混凝土结构体中的钢筋结构,但该钢筋结构应做等电位焊接,同时该钢筋结构接地体还应作为塔式起重机开关箱中PE线的重复接地体共用。所以,不仅塔式起重机的金属基座要与其基础钢筋混凝土结构体中的钢筋结构做电气连接(焊接);而且,其开关箱中的PE线亦应与该钢筋结构有一个电气连接(焊接)点,如下图所示。此时,塔式起重机的基础钢筋混凝土结构体既作为塔式起重机的防雷接地体;又不要分割地同时作为其配电开关箱处PE线的一处重复接地。当然,这种综合接地体的接地电阻值必须满足其工频接地电阻RG值不大于10Ω的要求。否则,则必须在其邻近补充连接其他自然接地体或补充敷设人工接地体。
轨道式塔式起重机的防雷接地和轨道等电位连接,应按规范的规定设置,并作具体说明。

2.1、感应雷的防护措施
防感应雷装置通常由避雷器和接地装置组成。
(1)当施工现场设置有低压配电室,但不设置临时专用变电所时,如果配电线路为架空线路,则应在配电室外将其架空进、出线处绝缘子铁脚与配电室接地装置相连接,作防雷接地,以防雷电波侵入,亦兼有防直击雷作用。如果配电线路为埋地电缆且线路较短,为防雷电波从其与架空线的连接处侵入,在电缆两端来回反射叠加成过电压波,并进入配电室,需在电缆两端装设阀型避雷器。
(2)当施工现场设置有专用临时变电所时,其变电所的三相进线和三相出线处应各装设一组阀型避雷器,如下图所示。
(3)阀型避雷器的选择应符合以下原则,即:
1)避雷器的额定电压等级应与保护线路物额定电压等级保持一致,并且不得低于安装地点可能出现的最大对地工频电压。
2)避雷器的工频放电电压和冲击放电电压上限值应低于电网(包括直接连连于电网上的相关电气设备)相应的(工频的或冲击的)绝缘水平。
2.3、防雷保护范围
防雷保护范围是指接闪器对直击雷的保护范围。按照现行国家标准《建筑物防雷设计规范》GB50057-2010,接闪器防直击雷的保护范围按"滚球法"确定。
防雷装置设计完成后,要形成一个包括防雷部位确定及其相关防雷装置具体设置方式方法的设计说明书。
第九章防护措施
施工现场有关电气安全的危险环境因素主要有外电线路、易燃易爆物、腐蚀介质、机械损伤,以及强电磁辐射的电磁感应和有害静电等。对于不同现场具体存在的危险环境因素,均应有相应的防护措施。
第一节 外电防护措施
外电防护主要是防止现场作业人员意外触碰现场以外的外界电力线路而发生的人体直接接触触电事故,施工现场要根据现场勘测结果确认的现场外界电力线路状况,编制"专项外电防护方案或外电防护措施",其基本内容如下:
1.1 保证安全操作距离
施工现场如果确认存在外电防护问题,则其首要的防护措施就是保证安全操作距离。为了保证安全操作距离,就必须遵守规范的下述规定。
(1)在建工程不得在外电架空线路正下方施工、搭设作业棚、建造生活设施或堆放构件、架具、材料及其他杂物等。
(2)在建工程(含脚手架)的周边与外电架空线路的边线之间的最小安全操作距离不应小于下表所列数值。
在建工程与外电架空线路边线之间的安全操作距离
注:上、下脚手架的斜道不宜设在有外电线路的一侧。
(3)施工现场的机动车道与外电架空线路交叉时,架空线路的最低点与路面的垂直距离不应小于下表所列数值。
施工现场的机动车道与架空线路交叉时的最小垂直距离
(4)起重机严禁超过无防护设施的外电架空线路作业。在外电架空线路附近吊装时,起重机的任何部位或被吊物边缘在最大偏斜时与架空线路的最小距离不得小于下表所列数值。
起重机与外电架空线路间的最小安全距离
(5)施工现场开挖沟槽边缘与外电埋地电缆沟槽边缘之间的距离不得小于0.5m。
(6)施工现场在外电架空线路附近开挖沟槽时,必须会同有关部门采取加固措施,防止外电架空线路电杆倾斜、悬倒。
1.2架设安全防护措施
当施工现场与外电线路之间不能保证安全操作距离时,则必须在施工现场与外电线路之间架设安全防护措施。实施强制性绝缘隔离防护,为此应事先编制架设方案,并经有关部门批准。防护设施架设方案主要应包括以下内容。
(1)规定防护设施的材料:按照规范的规定,架设外电防护设施宜采用木、竹或其他绝缘材料,不宜采用金属材料,以防止因电场感应使防护设施带电。
(2)确定防护设施的结构:防护设施结构的形态通常有屏障、遮栏、围栏、保护网等,具体确定防护设施的结构时,应根据现场勘测资料确定其结构形式,绘制相关设计图纸。所确定和设计的防护设施必须达到坚固、稳定和严密的规范化标准,应能承受施工过程中人体、工具、器材、落物的意外撞击和风雨、机械振动等不良环境因素的冲击,而保持其有效防护功能,即不歪斜、不扭曲、不松动,特别要保证不悬倒、不塌落;应能防止固体异物穿越,防护等级应达到IP30级。所谓IP30级的规定,是指防护设施的缝隙,能防止Ф2.5mm固体异物穿越。
在确定防护设施结构时,必须保证防护设施与外电线路之间一定的安全距离。按照规范的规定,该安全距离不应小于下表所列数值(表中,外电线路电压等级≤10kV的规定适用于220/380V线路)。
防护设施与外电架空线路间的安全距离
注:考虑到防护设施架设安全,表中数值大于通常的安全距离数值。
防护设施还要在醒目位置设置警告标志牌。
(3)防护设施架设的实施:防护设施架设的实施必须有严格的人员组成和严密的组织结构。即要明确确定专业架设人员、指挥人员、监护人员,以及具体的架设方法、架设流程和安全保护措施。
1.3无任何防护措施时不得强行施工。
对外电线路无法架设防护设施的施工现场,如欲继续施工作业,唯一可行的办法就是与有关部门协商,使外电线路暂时停电或迁移,或改变在建工程的位置;否则,严禁强行施工。
第二节 易燃易爆物防护措施
施工现场对易燃易爆物的防护,主要是防止因用电系统在运行程中或发生故障时产生的高热、电火花或电弧点燃易燃易爆物,从而引发电气火灾。编制易燃易爆物防护措施,就是为了消除现场潜在的易燃易爆物相关的电气火灾隐患,杜绝相关电气火灾事故的发生。因此,针对易燃易爆物的防护措施应体现如下两个基本点,即:
(1)电气设备现场周围应无易燃易爆物,或随时对其进行消除。
(2)电气设备对其周围易燃易爆物应采取有效阻断、阻燃隔离。
第三节 腐蚀介质防护措施
施工现场对腐蚀介质的防护,主要是防止用电系统线路和设备因受酸、碱、盐等腐蚀介质腐蚀或受其他污源污染导致绝缘损坏、漏电,从而引发人身触电和电气火灾事故的发生。因此,针对腐蚀介质的防护措施与针对易燃易爆物的防护措施相似,亦应体现相似的两个基本点,即:
(1)电气设备现场周围应无污源和腐蚀介质,或随时对其进行清除。
(2)电气设备对其周围酸、碱、盐等腐蚀介质、污染源以及特殊地域性酸雨、盐雾等应采取阻断、隔离。
第四节 机械损伤防护措施
电气设备(包括线路)的机械损伤防护主要是防止因机械损伤引发触电和电气火灾。因此,施工现场必须结合施工工艺过程和实际用电情况,对有关电气设备和配电线路制定有针对性的防护措施,其基本点应体现在如下几个方面,即:
(1)电气设备的设置位置应能避免各种施工落物的打击,或设置防护棚保护。
(2)用电设备负荷线不应拖地放置。
(3)电焊机二次线应避免在钢筋网面上拖拉和踩踏。
(4)穿越道路的线路或者架空,或者穿管埋地保护,严禁明铺地面。
(5)加工废料和施工材料堆场不要接触电气设备和线路。
第五节 电磁感应防护措施
为了防止强电磁波辐射在塔式起重机吊钩或吊绳上产生高频对地电压的危害,在受强电磁波危害的施工现场,可对塔式起重机采取如下综合防护措施:
(1)地面操作者穿绝缘胶鞋,戴绝缘脱皮手套。
(2)吊钩用绝缘皮包裹或吊钩与吊绳间用绝缘材料隔离。
(3)挂装吊物时,将吊钩挂接临时接地线。
第六节 静电防护措施
为了消除静电对人体的危害,对产生静电的设备可采取接地泄漏措施,接地电阻值一般≤100Ω;高土壤电阻率地区,接地电阻值一般≤1000Ω。
第十章安全用电和电气防火措施
第一节 安全用电技术措施
1. 所有进现场的变、配电装置,配电线、缆,用电设备,必须预先经过检验、测试,合格后方可使用。不得采用残缺、破损等不合格产品。
2. 用电系统中的三级配电系统,TN—S接零保护系统,短路、过载、漏电保护系统必须按《规范》规定始终保持完好,不得随意变动。
3. 配电装置必须装设端正、牢固,不得拖地放置;周围不得有杂物、杂草。
4.配电装置的进线端必须作固定连接,不得用插座、插头作活动联接;进出线上严禁搭、挂、压其它物体。
5.移动式配电装置迁移位置时,必须先将其前一级电源隔离开关分闸断电,严禁带电搬运。
6. 配电线路不得明设于地面,严禁行人踩踏和车辆辗压,严禁拖地浸水和埋压;线缆接头必须连接牢固,并作防水绝缘包扎,严禁裸露带电线头,严禁徒手触摸带电线路和在钢筋、地面上拖拉带电线路。
7. 用电设备严禁溅水和浸水,已经溅水或浸水的用电设备必须停电处理,未断电时严禁徒手触摸和打捞。
8. 用电设备移位时,必须首先将其电源隔离开关分闸断电,严禁带电搬运;搬运时严禁拖拉其负荷线。
9. 照明灯具的开式和电源电压必须符合《规范》关于使用场所环境条件的要求,严禁将220V碘钨灯作行灯使用。
10. 停电作业必须采取以下措施
①需要停电作业的设备或线路必须在其前一级配电装置中将相应电源隔离,开关分停、送电指令必须由同一人下达;
②送电前,必须先行拆除加挂的接地线;
③停、送电操作必须有两人进行,一人操作,一人监护,并应穿戴绝缘防护用品。
④使用电工绝缘工具。
第二节 安全用电组织措施
1. 建立完善的用电组织设计和安全用电技术措施的编制、审查、批准制度及相应的档案管理制度,奠定科学管理基础。
2. 建立安全技术交底制度,通过技术交底提高电工和各类人员安全用电意识和技术水平。
3. 建立并严格执行定期安全检测制度。主要检测项目应是:
1)接地装置的接地电阻值;
2)电气设备的绝缘电阻;
3)漏电保护器额定漏电动作参数值 。
各项定期安全检测工作,均应记录存档。记录内容应包括:检测时间,检测地点,检测设备,检测项目,检测仪器,监测人,检测结果等。
对于各项定期安全检测工作,可调设计检测表,以方便监测记录。定期安全检测记录,应及时完整归档。
4. 建立电工巡检、维修、拆除制度。
对巡检、维修、拆除工作要记录,记录内容包括:工作内容、工作时间、工作地点、工作结果、相关人员(工作人员及验收人员或认可人员)等,并应定期存入档案。
5. 建立安全教育培训制度。
教育培训工作要做完整记录。记录内容包括:教育培训时间、教育培训地点、教育培训相关人员、教育培训内容、教育培训效果等。通过教育培训,提高各类相关人员安全用电基础素质。
教育培训工作记录要于工作结束后及时归档。
6. 建立安全检查评估制度。
通过定期检查发现和处理隐患,对安全用电状况作出量化科学评估,并建立相应的方案记录,及时归档。对于存在的问题要及时交付有关部门和人员,并督促其及时处置。
7. 建立安全用电责任制,对用电工程各部位的操作、监护、检查、维修、迁移、拆除等分层次落实到人,并辅以必要的奖惩。
8. 建立安全用电管理责任制,将安全用电管理纳入各级相关领导和管理者的职责中,以全面提高安全用电的科学管理水平。
第三节 电气防火技术措施要点
1、合理配置用电系统的短路、过载、漏电保护电器。
2、确保PE线连接点的电气连接可靠。
3、在电气设备线路周围不堆放并清除易燃易爆和腐蚀介质或作阻燃隔离防护。
4、不在电气设备周围使用火源,特别在变压器、发电机等场所严禁烟火。
5、在电气设备相对集中场所,如变电所、配电室、发电机室等场所配置可扑灭电气火灾的灭火器材。
6、按规范规定设置防雷装置。
4、电气防火组织措施要点
1. 建立易燃易爆物和腐蚀介质管理制度。
2. 建立电气防火责任制。
确定分级、分区电气防火,明确分级、分区电气防火职责。
3. 加强电气防火重点场所烟火管制,设置禁止烟火标志。
第四节 建立电气防火教育制度
定期进行电气防火知识宣传教育,提高种类人员电气防火意识和电气防火知识水平,教育和类人员学会和掌握扑灭电气火灾的组织和方法。
电气防火教育要有文字记录,并及时归档。
5. 建立电气防火检查制度。
电气防火检查发现的问题要及时交办自理,不得拖延、推诿,不得遗留任何隐患。
电气防火检查要有文字记录,并及时归档。
6. 建立电气火警预报制。
对可能引发电气火灾场所和开发部,要及时通报有关人员知悉,并记录存档。
7. 建立电气防火领导体系及电气防火队伍。
电气防火领导体系及电气防火队伍的组成人员要具体明确,以文字的形式公式并存档。
8. 电气防火措施可与一般防火措施一并编制。
第五节 环境保护与职工健康安全
1、组织职工学习环保知识,加强环保意识,使大家认识到环境保护的重要性和必要性。
2、电工维修焊接中产生的废弃物如电焊渣、废弃的焊材,应及时回收,按地方和环保部门的要求进行处理。通过优化工艺、材料定额包干使用等措施尽量减少废弃物产生的数量。
3、油漆、油料应妥善存放和使用,库房地面和墙面要做防渗漏的特殊处理,储存、使用、保管专人负责,避免滴、漏污染水体和土壤。油漆包装物应统一收集处理,不应随意抛弃。
4、通过适当的培训与教育形式来提高职工的职业安全健康意识与知识,并建立相应的程序与规定,确保他们遵守企业的各项安全健康规定与要求,并促进他们积极地参与体系实施和以高度责任感完成其相应的职责。
5、应定期组织职工进行健康查体,按规定统一佩戴安全防护用品及证卡上岗。