
本文要分析的电路
家里有不少给小孩子买的电动玩具,感叹现在的电动玩具虽然才几十块钱,但是不仅包邮,还附送充电器和可充电电池,真的很便宜,大家都买得起。
下图这款充电器忘了是哪个玩具附送的,看起来像模像样,就是有点轻。这么便宜的价格,想看看是什么电路方案,下面拆解分析:

背面的样子:

背面的字体不大能看清:(妹纸的手)

图像处理一下,大体能看清了:

上面写着,这是一款镍镉、镍氢电池充电器,5号、7号电池都能充。
采用USB供电,标称输入是5V 1A。
充电时间3-5小时。
卸下4颗螺丝,拆开后盖:

这时已经可以把电路板扣出来了:

重点看电路板,元器件很少:

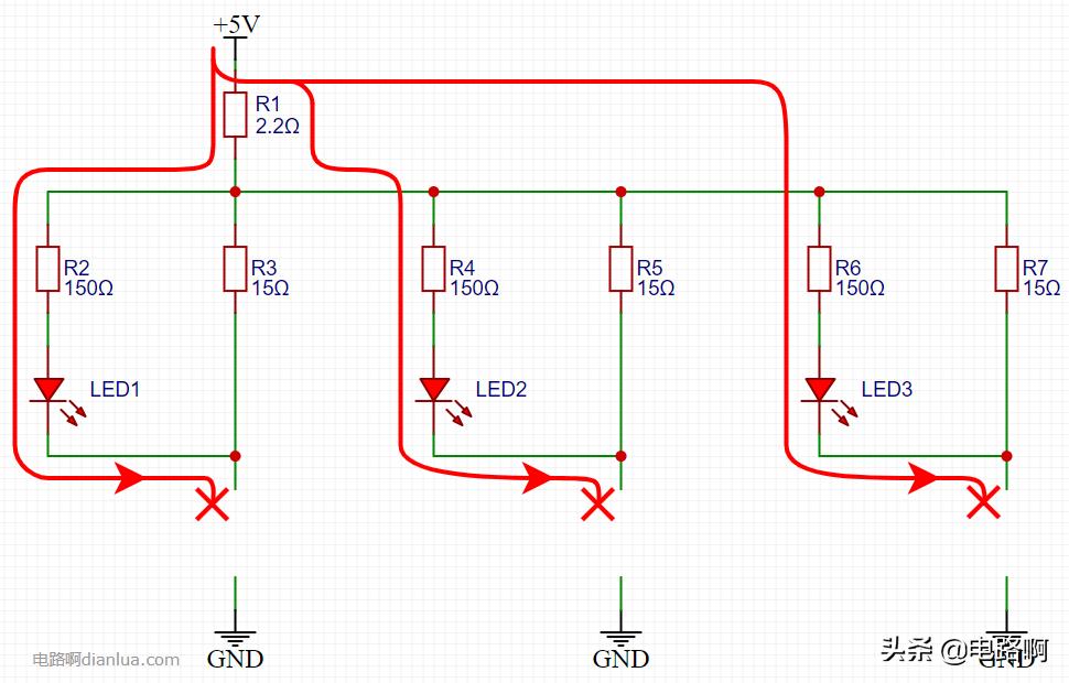
根据实物,把电路原理图复原出来,电路很简单:

不难发现,有三组一模一样的电路,用来分别对三节电池进行充电:

所以在实物图上,只标注原理图中位于左边的那组:

这充电器有3个电池仓,可以独立地对3节电池进行充电:

电池仓里不放电池时,接上电,红色LED灯是不亮的:(同样是妹纸的手)

因为没有电池,LED灯所在的电路不能形成回路:

电池仓里放入电池,LED灯亮起:

此时就是在充电了。
充电时,电路中各点的电压电流是怎样的呢?
直接用电路仿真来计算,简单直观:(以电路用1.3V的电压对电池进行充电为例)

从上图可以看出:
1、红色LED灯的正向压降为3.15V - 1.3V = 1.85V,流过4.67mA的电流。
2、电池的充电电流为175mA
看到这里,大家发现了没有,这款充电器没有检测电池充电状态的电路,所以会对电池一直充电, 永远不会停止!
红色LED灯也会一直亮起, 永远不会熄灭!
不明所以的用户一定会感到很奇怪,为什么充了一整天还没充满,因为红灯还是亮着。于是继续充电。
那么问题来了,这么简单粗暴的充电电路,不会出问题吗?
下面以对镍氢电池充电为例,继续分析。
镍氢电池的充电曲线是这样的:

纵坐标是充电电压。
横坐标是说已经冲进了多少电,用电池标称容量的百分比来计量。
图中的0.1C、0.2C是什么意思呢?
C代表电池容量,如果电池容量为1200mAh,那么0.1C就代表充电电流为:
0.1 x 1200mA = 120mA
0.2C就是 :
0.2 x 1200mA = 240mA
从充电曲线可以看出,用不同大小的充电电流,充电曲线是不一样的。上图列出的就有4条充电曲线。
那些价格贵的“智能充”,就是根据充电曲线的特性来判断是否已经充满电,从而停止充电。
可以有以下几种判断方法:
1、当检测到充电电压有一段时间都不再上升时,就认为已经充满电。

2、当检测到充电电压反而在下降时,也就是电压的“负斜率”出现时,认为已经充满电。

3、也有判断电池电压达到指定值,就停止充电的,但是这种方法准确性差些。
这次拆解的充电器,简单粗暴,除了充电功能,啥也没有,会一直充一直充。充到最后电池电压上不去了,源源不断的充电电流就全部用来发热。
假设电池能充到的最高电压为1.53V时:

对于单颗电池来说,用来发热的功率为:
1.53V x 163mA ≈ 0.25W
3颗电池就是:
0.25 x 3 = 0.75W
可不小呢!
应该说,镍氢电池、镍镉电池都很扛造(东北话,耐折腾的意思),一般来说问题不大,这也是商家敢生产销售这种充电器的原因。
但是!
在电池满电后仍继续充,会使电池持续发热,轻则导致电池性能下降,容量减小,寿命缩短。
严重些的,可能会出现电池 “爆”浆 的问题!(文章题目说的“爆”就是指这个,至不至于爆浆跟电池质量也有关系)
所以大家使用便宜的充电器时,一定要注意:
1、一般充电没问题;
2、充电时,充电器附近不要有易燃易爆物,注意散热;
3、充电时,一定要有人在家;
4、充电时间不要过长,可以充一个白天,但不建议通宵充电。
总之不用太担心,使用时小心注意就好。实在担心,可以买个好一点的充电器,也不贵。
本次的电路拆解分析就到这里啦,原创不易,记得点赞哦!
来源:电路啊
作者:LR梁锐